ZWCAD MFG
Caracteristici
Cadre și blocuri de titlu
Suportul îmbunătățit al formatului IFC permite filtrarea componentelor pentru exportul de import și a atributelor personalizate, combinat cu recuperarea inteligentă a arborelui cu structură și atașamentul de referință pentru a îmbunătăți eficiența colaborării multidisciplinare și reutilizarea modelului.
Baloane și BOM-uri
Baloanele pot fi create într-un singur click și asociate cu BOM-urile. Odată ce baloanele sunt create, BOM-urile vor fi generate automat.
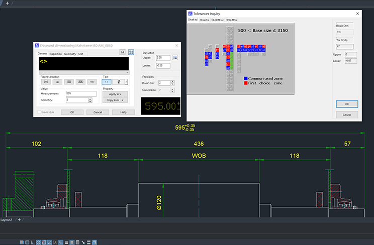
Dimensionare
Identificați inteligent obiectele și generați dimensiuni adecvate, cum ar fi lungimi, diametre și unghiuri. Nu este nevoie să comutați frecvent comenzile.
Anotarea Simbolului
Creați cu ușurință simboluri precum textura suprafeței, toleranța geometrică și simbolurile de sudură. Acesta acceptă editarea directă prin compararea dublă și salvarea parametrilor ca șabloane.
Dimensiunea Chamfer
Alegeți dintr-o varietate de stiluri de dimensiuni pentru flexibilitate în desenele dvs. Generează rapid dimensiuni prin selectarea liniilor de chamfer.
Holo Chart
Suportul îmbunătățit al formatului IFC permite filtrarea componentelor pentru exportul de import și a atributelor personalizate, combinat cu recuperarea inteligentă a arborelui cu structură și atașamentul de referință pentru a îmbunătăți eficiența colaborării multidisciplinare și reutilizarea modelului.
Unelte de desen
Eficiența de desen cu peste 40 de instrumente de desen, inclusiv Smart Line, Center Line, Mirror Line, Hatch și multe altele.
Uneltele de construcție
Suportul îmbunătățit al formatului IFC permite filtrarea componentelor pentru exportul de import și a atributelor personalizate, combinat cu recuperarea inteligentă a arborelui cu structură și atașamentul de referință pentru a îmbunătăți eficiența colaborării multidisciplinare și reutilizarea modelului.
Vizualizarea detaliilor
Suportul îmbunătățit al formatului IFC permite filtrarea componentelor pentru exportul de import și a atributelor personalizate, combinat cu recuperarea inteligentă a arborelui cu structură și atașamentul de referință pentru a îmbunătăți eficiența colaborării multidisciplinare și reutilizarea modelului.
Super Cardul
Suportul îmbunătățit al formatului IFC permite filtrarea componentelor pentru exportul de import și a atributelor personalizate, combinat cu recuperarea inteligentă a arborelui cu structură și atașamentul de referință pentru a îmbunătăți eficiența colaborării multidisciplinare și reutilizarea modelului.
Biblioteca de părți standard
Acesta sprijină peste 10 standarde naționale și internaționale, cu peste 400.000 de piese standard. Puteți genera vizualizări de piesă cu ușurință prin selectarea parametrilor.
Biblioteca de super simboluri
Acesta oferă multe simboluri ale mecanismului comun, inclusiv simboluri de mișcare, simboluri pneumatice hidraulice, simboluri electrice și simboluri ale structurii metalice.